股票配资学习平台-加杠杆的钱从哪里来-【东方资本】,杠杆交易协议,每日股票精选公众号,炒股票犯法吗

Z-EFG-RP

首頁 / 電動夾爪 / Z-EFG-RP
  • 夾持力大
  • 行程可調,夾持力可調
  • 長壽命:千萬次循環,超越氣爪
  • 控制器內置:占用空間小,方便集成
  • 夾持力大
  • 行程可調,夾持力可調
  • 長壽命:千萬次循環,超越氣爪
  • 控制器內置:占用空間小,方便集成

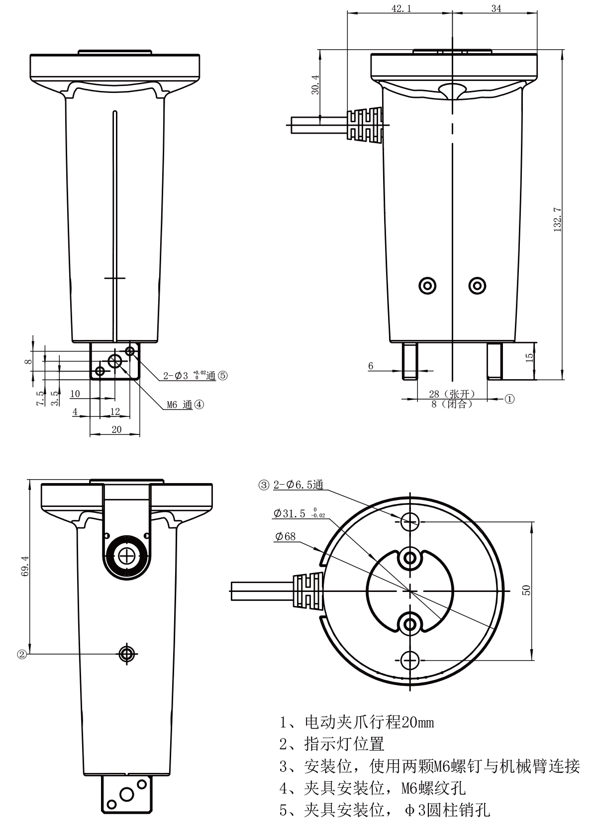
Z-EFG-R 核心參數

產品型號 Z-EFG-RP
總行程 20mm(可調)
夾持力 30-80N(可調)
重復定位精度 ±0.02mm
推薦夾持重量 ≤0.8kg
傳動方式 齒輪齒條+交叉滾子導軌
控制方式 485(Modbus RTU)、I/O
單向行程運動最短時間 0.4s
運動方式 二指平動
重量 0.5kg
尺寸規格 68*68*132.7mm
工作電壓 24V±10%
額定電流 0.2A
峰值電流 1A
功率 5W
防護等級 IP40
電機類型 伺服電爪
使用溫度范圍 5~55℃
使用濕度范圍 35~80%RH(不結霜)
出線規格 線長15cm,5芯線

備注:由于產品不斷推新迭代,產品參數如有變更,恕不另行通知。

產品詳情

相關產品