股票配资学习平台-加杠杆的钱从哪里来-【东方资本】,杠杆交易协议,每日股票精选公众号,炒股票犯法吗

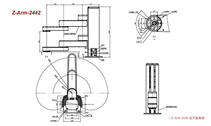
Z-Arm 2442 協作型

首頁 / 四軸機械臂 / Z-Arm 2442
播放視頻
  • 臂長:420mm
  • 重復定位精度:±0.03mm
  • Z軸(高度)可定制范圍: 0.1m~1m
  • 最大負載: 3KG
  • 支持碰撞檢測、拖動示教、硬急停、調試/在線升級(USB口)
播放視頻
  • 臂長:420mm
  • 重復定位精度:±0.03mm
  • Z軸(高度)可定制范圍: 0.1m~1m
  • 最大負載: 3KG
  • 支持碰撞檢測、拖動示教、硬急停、調試/在線升級(USB口)

Z-Arm-2442 核心參數

1軸臂長 220mm
1軸旋轉角度 ±90°
2軸臂長 200mm
2軸旋轉角度 ±164°(選配:15°~345°)
Z軸行程 240(高度可定制)
R軸旋轉范圍 ±1080°無機械限位 / ±170°有機械限位
線速度 1220mm/s(負載2kg)
重復定位精度 ±0.03mm
標準負載 2kg
最大負載 3kg
自由度 4
電源 額定功率:500W;輸入電壓110-220V(50-60HZ);輸出電壓:DC 24V
通訊 Ethernet
Z軸可以定制高度 0.1m~1m
電器預留接口 標配:插座面板直通小臂下蓋板2根4*23awg(無屏蔽層)線 可選配:插座面板直通法蘭2根φ4氣管
使用環境型 溫度:0~45℃ 濕度:20~80%RH(不結霜)
I/O口 數字量輸入(隔離) 9+3+小臂擴展(8進8出;夾爪專用端口:脈沖或485)
I/O口 數字量輸出(隔離) 9+3+小臂擴展(8進8出;夾爪專用端口:脈沖或485)
I/O口 模擬量輸入(4-20mA) /
I/O口 模擬量輸出(4-20mA) /
整機高度 596mm
主機重量 240mm行程裸機重量約19kg
底座外形尺寸 200*200*10mm
底座固定孔位間距 160*160mm配四個M8*20螺絲
碰撞檢測
拖動示教
硬急停
調試/在線升級(USB口)
出線規格 AC線&DC線:2米、不能走拖鏈
節拍時間 2.066s

備注:由于產品不斷推新迭代,產品參數如有變更,恕不另行通知。

產品詳情


相關產品