股票配资学习平台-加杠杆的钱从哪里来-【东方资本】,杠杆交易协议,每日股票精选公众号,炒股票犯法吗

Z-ECG-10

首頁 / 電動夾爪 / Z-ECG-10
播放視頻
  • 夾持掉落檢測、區域輸出功能
  • 力、位、速度可控,可通過Modbus精準控制
  • 三指定心夾爪
  • 控制器內置:占用空間小,方便集成
  • 控制方式:485(Modbus RTU)、I/O
播放視頻
  • 夾持掉落檢測、區域輸出功能
  • 力、位、速度可控,可通過Modbus精準控制
  • 三指定心夾爪
  • 控制器內置:占用空間小,方便集成
  • 控制方式:485(Modbus RTU)、I/O

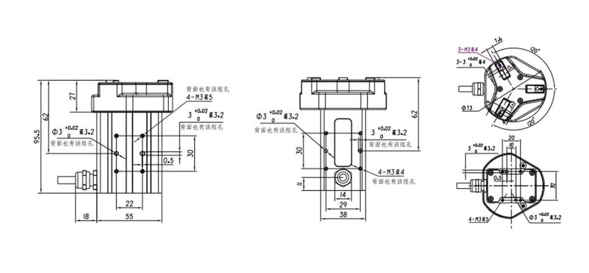
Z-ECG-10 核心參數

產品型號 Z-ECG-10
總行程 10mm(可調)
夾持力 3-10N(可調)
重復定位精度 ±0.03mm
推薦夾持重量 ≤0.2kg
傳動方式 精密行星減速機+滾珠導軌
控制方式 485(Modbus RTU)、I/O
單向行程運動最短時間 0.3s
運動方式 三指平動
重量 0.5kg
尺寸規格 73*73*95.5mm
工作電壓 24V±10%
額定電流 0.3A
峰值電流 0.6A
功率 10W
防護等級 IP40
電機類型 伺電機服
使用溫度范圍 5~55℃
使用濕度范圍 35~80%RH(不結霜)
出線規格 線長2m,8芯線

備注:由于產品不斷推新迭代,產品參數如有變更,恕不另行通知。

產品詳情

相關產品